Sok helyen van bevezetve éjszakai áram, vagy újabb elnevezése szerint vezérelt áram,
amit csúcsidõn kívül kapcsol be az elektromos mûvek, és fõleg fûtésre, és villanybojlerhez használatos.
Elvileg ezzel biztosítják, az erõmûvek egyenletesebb terhelését, és mivel a fel nem használt
energia részben veszendõbe menne, inkább olcsóbban eladják. Tehát ez olcsóbb, mint az éjjel-nappal
biztosított áram, de manapság a ki-be kapcsolgatás teljesen véletlenszerû szokott lenni, csak annyi
tudható, hogy kb. napi 8 órányi fûtést ad a bojlernek. Ez sok esetben kevés, és néhányan ilyenkor a
nappali áramról szeretnék pótolni a hiányzó melegvízhez szükséges energiát. Kézzel átkapcsolni a fogyasztót
a nappali áramra meglehetõsen macerás, ezért sokan szerelnek (szereltetnek) fel mágneskapcsolós megoldásokat,
amelyek az éjszakai áram megjelenésekor arra kapcsolják a terhelést, ennek szüneteiben pedig a nappali áramra.
Egy villanybojler esetében ez teljesen jó megoldás, hiszen elsõdlegesen az olcsóbb éjszakai áramot
használja, de ha ez kevés, akkor a drágább nappaliról is tud fûteni. Az egyetlen probléma,
hogy a mágneskapcsoló mûködési ideje alatt egy kis idõre megszûnik a feszültség, és ezt bizony néhány
fogyasztó nehezen tolerálja. Amennyiben a nappali és az éjszakai áram azonos fázisú, akkor az átkapcsolást
meg lehet valósítani úgy is, hogy a mágneskapcsolót, a mûködési ideje alatt, egy félvezetõs áramkör áthidalja.
Így gyakorlatilag kiesés nélkül, szinte észrevétlenül történik meg az átkapcsolás.
Vannak, akik spórolás céljából az összes fogyasztójukat (pl. a teljes házat) ilyen átkapcsolón
keresztül látják el árammal - ezt valószínûleg áram-szolgáltató függõ, hegy melyik
tekinti szerzõdésszegésnek és melyik nem, ezért ez a cikk csak, mint technikai érdekesség került fel ide!
Tehát mindenki csak saját felelõsségére használhatja fel az itt talált információkat, a közölt áramkörökkel,
az áramkörök használhatóságával kapcsolatban semmilyen felelõsséget nem vállalok. Tehát mégegyszer:
csak a saját szakállára kísérletezzen bárki!
Alapveto tudnivaló, hogy a hálózati feszültség/áram megbízható átkapcsolása ilyen módszerrel,
csak akkor lehetséges, ha a vezérelt áram és a nappali áram azonos fázisra van kapcsolva,
tehát bekapcsolt vezérelt áram esetén a nappali áram fázisához képest nincs feszültség-különbség.
Háromfázisú megoldás esetén a fázisokat azonosítani (párosítani) kell, hogy az átkapcsolás mindig
azonos fázisok között történjen. Az áramutak változására a FI relé (ÉV relé, érintésvédelmi megszakító,
áramvédo kapcsolás, stb..) többnyire érzékenyen reagál, ezért ha ilyen átkapcsolót alkalmazunk akkor
azt még az ÉV relé elott kell beiktatni - ellenkezo esetben az ÉV relé nagy eséllyel le fog oldani az átkapcsoláskor.
Engem elsõsorban a dolog technikai oldala érdekelt, azaz hogy milyen módon lehetne ezt a kiesésmentes
átkapcsolást megvalósítani, és mint kiderült a gyakorlatban többféle módon is lehet jól mûködõ megoldásokat készíteni.
Az alábbi fotókon egy egyszerûbb 1 fázisú, és egy 3 fázisú átkapcsoló látható, szabványos C sínre (DIN sínre, kalapsínre)
szerelve. Az alkatrészek zöme is sínre szerelhetõ, a vezérlõ elektronika pedig egy kicsi dobozban kapott helyet,
melyet szintén a sínre rögzítettem.
Elõször nézzük, hogyam is kell felépíteni egy egyszerû mágneskapcsolós átkapcsoló áramkört:
 
A kapcsolás muködése elég egyszeru, amikor megjelenik a vezérelt áram, akkor a kismegszakítón keresztül
feszültséget kap a mágneskapcsoló behúzótekercse. A mágneskapcsoló meghúz, és a kimenetet átkapcsolja
a nappali ágról a vezérelt ágra. Amit errõl a megoldásról tudni kell:
- Csak olyan mágneskapcsoló alkalmas a feladatra, amelynek nem csak a záró, hanem a bontó érintkezoje
is képes a névleges teljesítmény kapcsolására!! Ellenkezo esetben ez a megoldás nem lesz hosszú élettartamú!
- A vezérelt áram megszunésekor a mágneskapcsoló visszavált, azonban ez csak a feszültség teljes
megszunése után, a mágneskapcsoló muködési idejét követoen történik meg. Eközben egy kis idõre a
kimeneten megszunik a feszültség. Ez egy villanybojler esetén nem probléma, de bizonyos fogyasztók ezt
kevésbé tolerálják: (PC-k számítástechnikai eszközök, riasztók, motoros, kompresszoros gépek, pl. hutoszekrény stb...)
Az 1/b ábra azt szemlélteti, hogy amennyiben a mágneskapcsolónak több érintkezõje van,
akkor ezeknek a párhuzamosításával megnövelhetõ az átkapcsoló terhelhetõsége.
Manapság be lehet szerezni olyan mágneskapcsolót aminek terhelheto a bontóérintkezoje is,
de ha ilyen nem áll rendelkezésre akkor 2db "mezei" mágneskapcsolóval is célt érhetünk:
A fenti megoldás felépítheto olyam mágneskapcsolókkal is amelynek a bontóérintkezoje csak segéd-kontaktus.
Ez a megoldás is muködoképes a gyakorlatban, de hátránya, hogy ennél még egy kicsit hosszabb lesz a kimaradás
az átkapcsoláskor (2db MK muködési és átkapcsolási ideje), továbbá nyugalmi helyzetben (azaz nappali áramról)
is van fogyasztása. Ezen felül a mágneskapcsolók esetleges hibája esetén nincs kimeneti feszültsége.
Emiatt az elso megoldás, a jelenleg beszerezheto alkatrészeket figyelembe véve, lényegesen jobb és megbízhatóbb,
mint ez a (szükség)megoldás.
A kapcsolásokban szereplo kismegszakítók szerepérol egy pár szó: egyrészt a mágneskapcsolók
behúzótekercsét védi, másrészt a vezérelt fázisra kapcsolt kismegszakító lekapcsolásával az egész
áramkör muködése kikapcsolható. Vagyis ilyen állapotban nem kapcsol át a vezérelt áramra.
Ennek villanyszereléskor, óracserekor van balesetvédelmi jelentosége! Ne adj isten egy áramszolgáltatói
ellenorzéskor is megelozheto némi kötözködés :) - de mint korábban írtam mindenki csak a saját szakállára!
Én nem támogatom az ilyesmit! Mindkét fent lerajzolt megoldás kiegészítheto úgy, hogy az átkapcsolás alatt se
szunjön meg a kimeneti feszültsége, és így alkalmassá váljon pl. PC vagy más háztartási készülék üzemeltetésére is.
Ennek az a módja, hogy az állandó nappali áram fázis, és a kimenet fázisa közé
(a bontóérintkezovel párhuzamosan) egy félvezetõs kapcsolót is beépítünk (pl. graetz hidakat, vagy megfelelo
elektronikával vezérelt triak-ot), ami az átkapcsolás ideje alatt áthidalja a mágneskapcsoló érintkezojét,
és így nem keletkezik kiesés. Felmerülhet a kérdés, hogy akkor minek a mágneskapcsoló? Miért nem használunk
csak félvezetõt? Nos azért mert a félvezetõn feszültség esik, és ha eközben nagy áram is folyik
(és miért ne folyhatna nagy áram) akkor jelentos veszteség keletkezik rajta, amitol melegedni fog.
Egy átlagos háztartásban 25...32A-es kismegszakító(k) van(nak) felszerelve, ekkora áram már néhány
voltnyi feszültségesés esetén is jelentos teljesítményt jelent a félvezeton, amihez hatalmas hutoborda,
esetleg ventillátoros hutés is kellene - továbbá ez az energia nincs ingyen, magyarul a kapott áramszámla
összegében is jelentkezne a dolog! Tehát a legjobb hatásfokú átkapcsolás a mágneskapcsoló és félvezeto
kombinációjával érheto el. A következo rajz(ok) szerint: (nagyobb mérethez katt a képre!)
Egyfázisú átkapcsolók, AK-UNI vezérlõpanellel, és R25-22 mágneskapcsolóval:
A fenti áramkörök egyfázisú, szünetmentes átkapcsolást megvalósító átkapcsolók rajzai.
Az általam kifejlesztett elektronika 50A-es graetz hidat vagy 40A-es triakot használ az áthidaláshoz.
Azonban a félvezetõk a kis méretû hûtõlap miatt csak rövid idõre viselik el a teljes áramerõsséget (néhány másodperc).
Ez azonban nem probléma, mert gyakorlatilag csak a mágneskapcsoló mûködési ideje alatt folyik rajta
jelentõs áram, utána a mágneskapcsoló veszi át a terhelõ áramot a triaktól. Emiatt rendkívül fontos a
megfelelõ mágneskapcsoló használata. A vezérlõ elektronika egy kis méretû nyomtatott áramköri panelra készült,
részben felületszerelt alkatrészekkel (ennek belsõ kapcsolási rajza, érthetõ okokból nem publikus).
A kapcsolási rajzokon, és a vezérlõáramkör fotóján is látható, hogy az AK-UNI panel, az áthidalást végzõ
(kiesésmentes átkapcsolást megvalósító) félvezetõn átfolyó áramot érzékeli, egy speciális, kisméretû
áramváltó felhasználásával. Ez kontaktusmentes érzékelést tesz lehetõvé, mivel az ezen található lyukon
egyszerûen csak át kell fûzni a graetz hid (vagy a triak) vezetékét. A vezérlõ áramkör X-Y csatlakozási
pontjainak felhasználásával tud beavatkozni a másgneskapcsoló mûködésébe, hogy az a megfelelõ pillanatban
kapcsoljon ki vagy be. Az áramkör mûködési logikája, ill. felépítése olyan, hogy gátolja a mágneskapcsoló
prellezését, és még szándékosan is nagyon nehéz hibás mûködésre bírni. Ez az áramkör egy több lépcsõs
fejlesztés eredménye, azaz "elõdeinek" (AK-TC, AK-G01, AK-G02 -amelyeket már nem készítek) továbbfejlesztése.
Az AK-UNI elnevezés arra utal, hogy univerzális vezérlõáramkörröl van szó, amely alkalmazható
graetz-es vagy triakos áthidalású, 1 fázisú vagy 3 fázisú megoldások bármely kombinációjához.
Miért van többféle rajz, és melyiket érdemes megépíteni? 20/a ábrán a mágneskapcsolót egy nagy áramú graetz
hidalja át (a DC oldala rövidre van zárva). Ez minden további nélkül megtehetõ, mert a rövidrezárt DC
oldalú graezt-híd egyik tulajdonsága, hogy kb. 1V feszültségkülömbség alatt szakadáskélnt viselkedik, 1,5V körül
viszont már egyészen kis ellenállású vezetõként. Azonban a vezetékeken és a kötéseken is esik feszültség,
ami sok egyéb mellett függ a vezetékek keresztmetszetétõl, hosszától és az átfolyó áramtól. Amennyiben a
mérõk és az átkapcsoló közötti vezetékszakaszon esõ feszültség nagysága eléri a graetz-ek
nyitófeszültségét, akkor az elektronika azt érzékeli, mintha megszûnne a vezérelt áram és visszavált a nappali áramra.
Tehát a graetz-es áthidalást alkalmazó megoldás, csak abban az esetben mûködik tökéletesen, ha az említett
feszültségesés mindíg 1V alatt marad. A gyakorlat azt mutatja, hogy amennyiben a vezetékek méretetzése megfelelõ
akkor a fogyasztásmérõktõl vett 5m-es távolságon belül ez az esetek 99%-ában teljesül. Ezért az átkapcsolót célszerû
a mérõktõl nem túl messze telepíteni (célszerû 5méteren belül). Ha ez valamiért semmiképpen sem oldható meg,
(mert pl. az átkapcsoló tervezett beépítési helye, a mérõktõl 5m-nél messzebb van) akkor növelni kell azt
a feszültségszintet, amitõl a félvezetõkön megindul az áthidaló áram. Graetz helyett Triak használatával
ez 5...7V-ig (esetleg 10...12V-ig) növelhetõ meg úgy, hogy még ne legyen észrevehetõ az átkapcsolás.
(Az ennél nagyobb feszültségesés már eleve a hálózat hibájára utalna.) A triakos megoldás bekötési rajza
a 20/b ábrán látható. Amennyiben a feszültségesés a határon van (tehát 1V körüli), akkor a sorosan kapcsolt
gretz-ek számának növelésével is növelhetõ az feszültségesés a küszöb amit az átkapcsoló hibamentesen kezelni tud.
Ez a megoldás látható a 20/c ábrán. Ilyen átkapcsolót csak nagyon ritkán szoktam készíteni, mert a mérõk
és az átkapcsoló közötti vezetékszakasz feszültségesésének gyakorlati értéke csak méréssel deríthetõ ki.
Ha nincs feszültségesés probléma (ami az esetek 99%-a) akkor az elsõ megoldás javasolt, 10...25m távolság
esetén pedig inkább a triakos verziót javasolom.
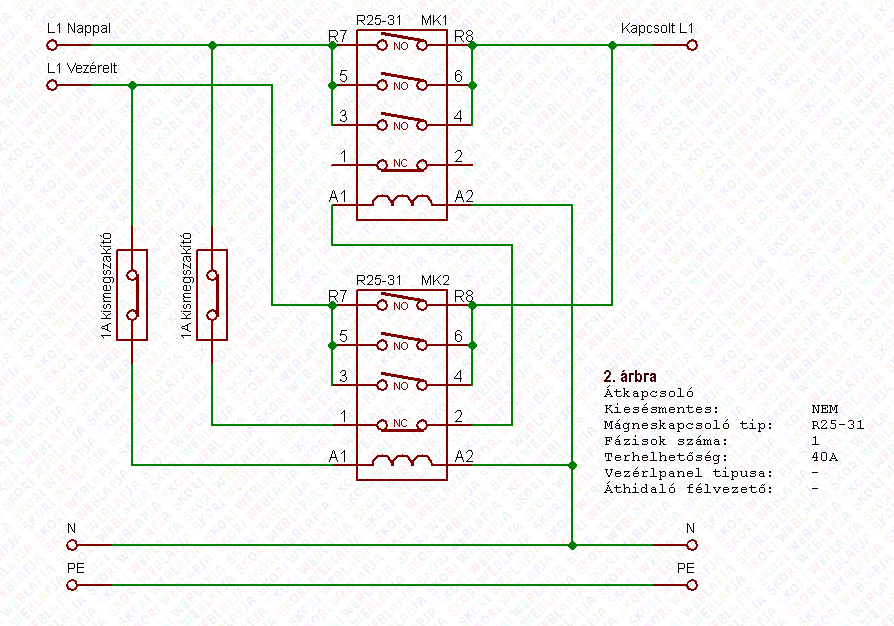
Korábban a 2. ábrán lerajzoltam, hogyan lehet a bontó segédérintkezõs mágnesakpcsolókkal átkapcsolót készíteni,
ezek a megoldások is kiegészíthetõk úgy, hogy kieslésmentesen kapcsoljank át. Ilyen verziót új átkapcsolóként
szerintem nem érdemes építeni, bár ezek is teljesen jól mûködnek, de a váltóérintkezõs mágneskapcsolókkal
készült megoldások szerintem jobbak. A lenti megoldások inkább akkor jöhetnek szóba, ha valakinek már van
kész átkapcsolója, ami ilyen megoldású, és szeretné kiesésmentessé átakakítani!
Amennyiben nem áll rendelkezésre olyan mágneskapcsoló, amelynek a bontóérintkezõje is terhelhetõ.
Egyfázisú átkapcsolók, AK-UNI vezérlõpanellel, két mágneskapcsolóval:
Jelenleg van eladó sorban levõ vezérlõpanelem, 50A-es GRAETZ hidak, és 40A-es triak is. Amennyiben valaki
hozzáértõ, akkor saját maga elkészítheti a szünetmentes átkapcsolót az általam adott vezérlõáramkört felhasználva.
Ennek elõnye, hogy igy olcsón megoldható, azonban az alap villanyszerelõi ismeretek nem feltétlenül elegendõek hozzá.
A megoldás hátránya, hogy így a vásárlónak kell beszereznie a megfelelõ mágneskapcsolókat, (greatz hidakat),
vezetékeket, stb. - és meglehetõsen sokat kell vele dolgozni, valamint számtalan
hibalehetõsége ill. buktatója van a dolognak. A gyakorlatban eddig ezzel nem volt probléma, mindenki fel tudta mérni,
hogy képes-e az átkapcsoló elkészítésére, vagy sem.
Ha komplett átkapcsolót szeretne valaki, vagy csak vezélõpanelt és esetleg más alkatrészt szeretne, azt
kérem, hogy email-ben érdeklõdjön.
A dolog jogi oldalával nem akarok foglakozni, szolgáltatója válogatja, hogy
ki, hol, és mennyire enged ilyesmit használni. Ezért
mindenki csak a saját felelõsségére
használjon ilyen átkapcsolót, ezzel kapcsolatban feleõsséget nem vállalok!
Aki ezzel nem ért egyet az tekintse eme oldalt csupán tecnikai érdekességnek, ahol az
elmétleti mûködésrõl van pár szó, de ne használjon az elektromos hálózatán ilyen áramkört!!
Figyelem! A gmail rendszeresen kidobja azokat az emaileket, amelyeket freemail-es feladóval küldök, az utóbbi idõben pedig
a másik emailcímemrõl küldött email-ek nagy részét is kidobja. Errõl gyakran nem értsíti a címzettet sem! Nem tudom, hogy
a google-nak velem van problémája, vagy az email szolgáltatókkal, de nem is érdekel, egyszerûen gusztustalan amit mûvelnek,
visszaélnek azzal, hogy túl nagyra nõttek!!! Soha nem küldtem spam-et senkinek. Teljesen sima, csatolmány nélküli maileket
is kidobnak. Ennélfogva aki gmail-es címrõl, vagy olyan mailcímrõl ír nekem, amelnyek a google a szolgáltatója,
az tévesen azt gondolhatja, hogy nem írtam választ a levelére, holott közel sem errõl van szó! Néhány ismerõsöm, rendszeresen
nyomogatja a "NEM SPAM" gombot a neki küldött leveleimre, de ez mit sem ér. Nem írom le mit kívánok a google-nak és hová...
Tehát aki nem kap választ a levelére, az próbáljon ki más email szolgáltatót, mert én nem tudom minden héten lecserélni a
mailcímemet!
Az áramkör felépíthetõ 3 fázisú verzióban is. Az egyik megoldás 3db egyfázisú átkapcsoló
megépítése, mindegyik fázisra külön-külön. Ez teljesen jó megoldás, azonban olcsóbban is megoldható,
némi kompromisszummal. Arról van szó, hogy a mágneskapcsló(k) vezérlése
megoldható úgy is, hogy az elsõ fázist (L1) használjuk fel a vezérlésre, és ez
alapján kapcsoljuk át mindhárom fázist! Így nem feltétlenül kell 3db vezérlõpanelt felhasználni,
csak 1-et, és nem feltétlenül kell 3db mágneskapcsoló sem (ez a kapcsolt fázisok számától,
és a felhasznhált érintkezõk számától függ)!
Nézzük a három fázisú megoldások rajzait. (nagyobb felbontáshoz katt a képekre - új lapon nyílik meg)
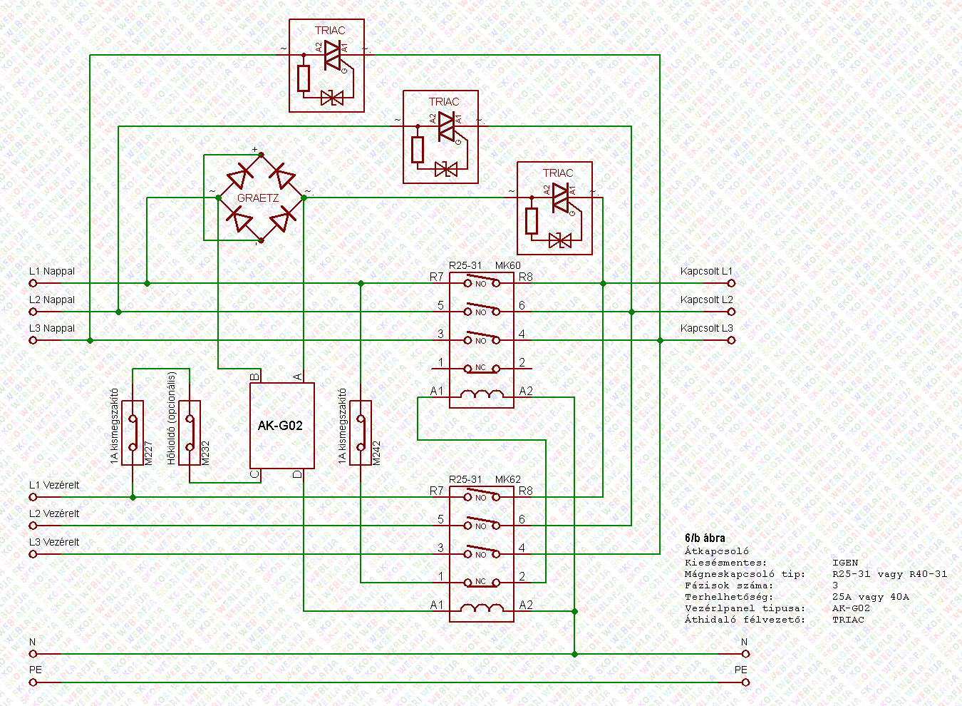
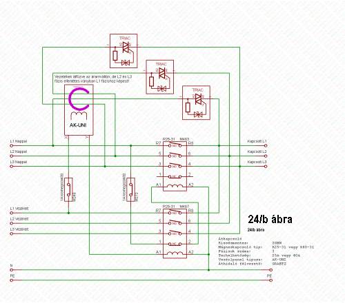
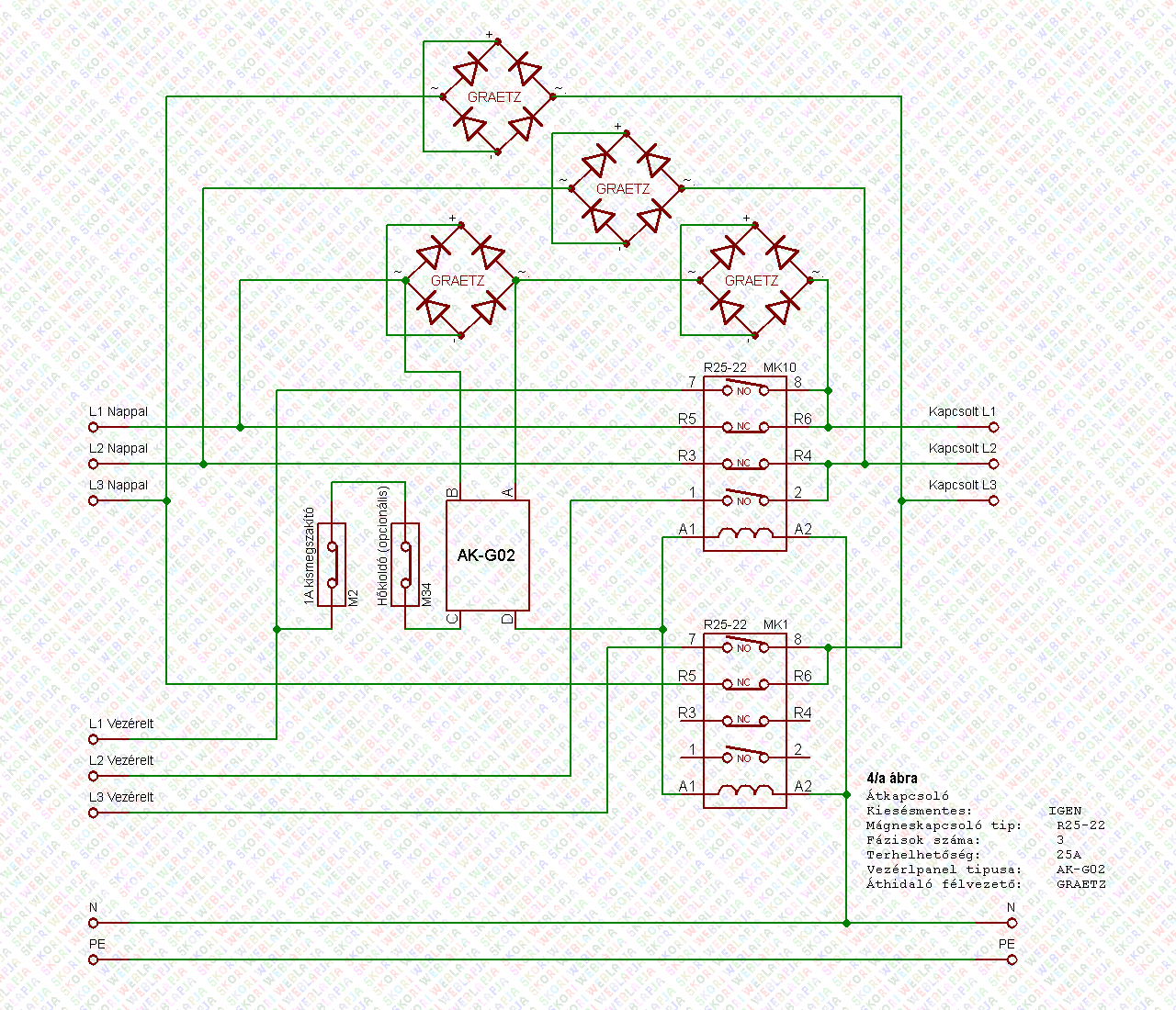
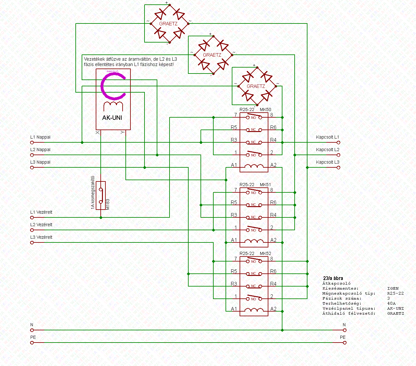
Háromfázisú 3x25A-es átkapcsolók, AK-UNI vezérlõpanellel, és R25-22 mágneskapcsolókkal:
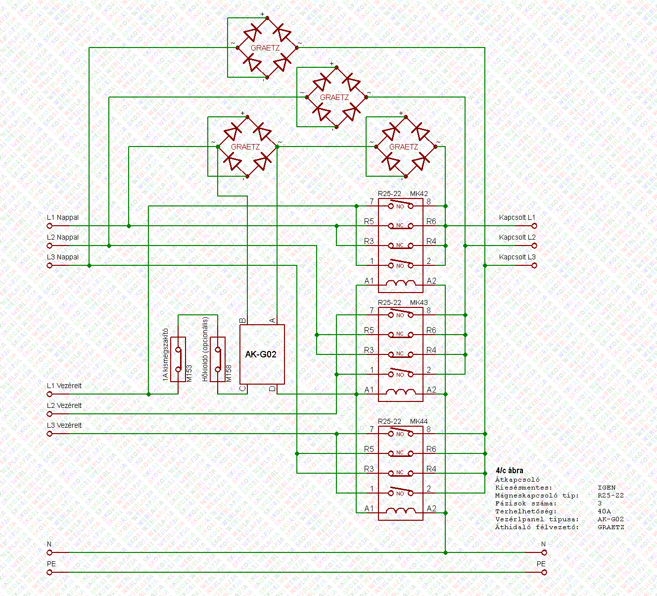
Háromfázisú 3x40A-es átkapcsolók, AK-UNI vezérlõpanellel, és R25-22 mágneskapcsolókkal:
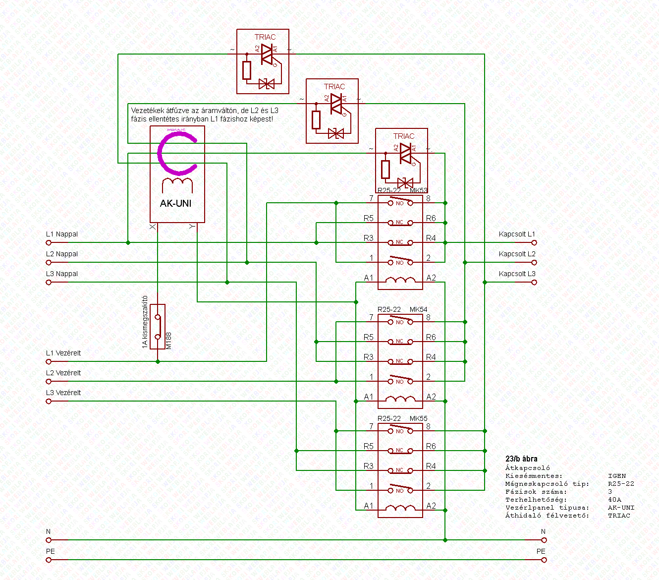
Végül pedig a bontó segédérintkezõs megoldások, AK-UNI vezérlõpanellel:
AK-UNI vezérlõpanel képes mindhárom fázis figyelésére, ehez csak annyit kell tenni, hogy a fenti bekötési
rajzok közül kiválasztott megoldásnak megfelelõen, mindhárom áthidaló fázis vezetõjét át kell fûzni a
vezérlõpanel áramváltján. Azonban arra figyelni kell, hogy az elsõ fázis vezetõje, a másik kettõhöz képest
ellentétes irányban legyen befûzve - ezt igyekeztem a kapcsolási rajzopkon is így megrajzolni.
A gyakorlatban megépítve az átkapcsolókat, kb. így néznek ki:
Azok kedvéért, akik maguk szeretnének átkapcsolót készíteni, felteszek néhány képet,
pár alkatrészrõl, és a hozzá tartozó rajzjelrõl:
Néhány további adat:
A mûködési idõkrõl: az általam felhasznált mágnmeskapcsolók gyárilag specifikált
mûködési ideje 40msec (0,04 másodperc).
-A gyakorlatban, az éjszakai áram megjelenésekor kb 0,04....0,1másodperc
közötti a mágneskapcsoló reakcióideje, ezen idõ alatt sincs kiesés,
ilyenkor a félvezetõkön folyik az áram, ami 1V...4V közötti feszültségcsökkenést
okoz erre az idõre. Tehát ha addig mondjuk 232V-ot lehetett mérni a hálózaton,
akkor egy pillanatra 228V-ig lecsökkenhet.
-Az éjszakai áram megszûnésekor a visszakapcsolás 0,2...2 másodperc
közötti késleltetéssel történik (növekvõ terhelõáram esetén rövidül az idõ),
ezen idõ alatt sincs kiesés, ilyenkor a ugyanúgy félvezetõkön folyik az áram,
mint a fenti esetben, ami minimális feszültségcsökkenéssel jár.
A késleltetést a vezérlõ elektronika határozza meg, erre azért van szükség,
hogy mágneskapcsolónak bõven legyen ideje az érintkezõi mozgatására, valamint
a hálózatban elõforduló zavarok, a mechanikus érintkezõk prellezése, és hasonlók
ne zavarhassák meg az áramkör mûködését.
A tapasztalatok azt mutatják, hogy ezt az 1..2% pillanatnyi feszültségcsökkenést
egyik háztartási fogyasztó sem veszi észre. A hálózat feszültségtûrése eleve
(szolgáltatótól, helyszintõl függõen) 5..10%, tehát ez elméletileg sem lehet probléma.
Mûködés közben a félvezetõkre csak nagyon rövid idõre kerül rá a terhelés,
az idõ zömében a mágneskapcsoló érintkezõje vezeti az áramot, ezért pl.
egy 50A-es GRAETZ közel névleges áramig terhelhetõ. A rajta esõ minimális feszültség
miatt, és az "átfedéssel történõ" átkapcsolás miatt a mágneskapcsoló érintkezõi
- mûködésük közben - közel azonos potenciálokat kapcsolnak össze, és szakítank meg.
Így az érintkezõk terhelése jelentõsen lecsökken, az élatartama pedig meghosszabbodik.
Az áram-terhelhetõség pedig egyszerûen az érintkezõk megduplázsával, közel kétszeresére
növelhetõ.
Fi relé, ÉV relé, avagy érintésvédelmi megszakító:
Az átkapcsolót célszerû még az ÉV relé elõtti ponton beiktatni,ellenkezõ
esetben az ÉV relé leoldását okozná, mivel az átkapcsoló "átfedésseél vált"
és ezalatt változnak az áramutak.
Csak egyezõ fázisok között lehet ilyen módon átkapcsolni,
ellenkezõ esetben az "átfedés miatt" fáziszárlat
keletkezik, és az átkapcsoló meghibásodhat!
Mivel szerintem ez elméletben is egy érdekes téma, és további kérdések is felmerülhetnek,
ezért érdemes áttekinteni egy kicsit, hogyan is néz ki, pl. egy lakás hálózatába beépítve
egy ilyen mágneskapcsolós megoldás. A rajzon nem szünetmentes megoldás szerepel, de szerintem
akit elméleti síkon érdekel a dolog, annak ez most nem probléma.
Az ábra bal oldalán látható, hogy a beérkezõ L1 fázis kettéágazik, a nappali és a vezérelt
hálózat számára, külön-külön kismegszakító véd a túláramok ellen, majd csatlakoznak a fogyasztásmérõk
"feszültség-tekercséhez", és "áram-tekercséhez" (mechanikus mérõk esetén - de ez itt lényegében mindegy)
Általában a vezérelt fázis mérõje után van bekötve a HF vevõ (vagy RF vevõ) ami lényegében a vezérelt áram
kapcsolását végzi az áramszolgáltató vezérlõjele alapján. Idáig tartanak a hálózat plombált,
szolgáltató tulajdonában levõ részei. A "nappali ág" árama, a mágneskapcsoló nyugalmi érintkezõjén át,
az ÉV relén, és az elosztón keresztül jut el a fogyasztókhoz! Amikor a HF vevõ aktivizálódik,
és bekapcsolja a "vezérelt áramot", akkor a mágneskapcsoló behúzótekercse is feszültséget kap.
A mágneskapcsoló meghúz, bontja a nyugalmi érintkezõjét (nappali fázis), és zárja a vezérelt fázisra
kapcsolódó érintkezõjét. Amikor a HF vevõ kikapcsolja a vezérelt áramot akkor a kimenõ feszültség
megszûnik, a mágneskapcsoló behúzótekercse is feszültségmentes lesz, ezért elenged, bontja a
vezérelt fázis áramkörét, és zárja a nappali fázisra kapcsolódó nyugalmi érintkezõjét.
Nem tûnik bonyolult áramkörnek, jól is mûködik, de a váltáskor mindíg van egy kis kiesés.
Itt jön a képbe a megfelelõ félvezetõs áthidaló+vezérlõáramkör. Az átkapcsolás alatt
természetes, hogy a félvezetõkön áram folyik, hiszen ezzel lehet elérni a szünetmentes
átkapcsolást, azonban a mágneskapcsolót is át kell váltani, méghozzá a saját mûködési
sebességéhez képest viszonylag rövid idõn belül.
A vezérlésnek meg kell tudni állapítania, hogy a félvezetõkön azért folyik-e áram
mert éppen vált a mágneskapcsoló, avagy épen most kellene átváltani a mágneskapcsolót.
A félvezetõn levõ feszültséget vagy áramot figyelve, egy megfelelõ logikával és
idõzítéssel kombinálva, (hogy a prellezést is biztonságosan kiszûrje), egy
megfelelõ elektronikával ezt meg lehet oldani, mint ahogy azt korábbiakban is felvázoltam.
Még néhány szót írnék arról, hogy mikor illetve miért lehet szükség a triakos áthidalási megoldásra. A graetz-es áthidalás
fõ elõnye az átkapcsolás közbeni alacsony feszültségesés, de ez speciális esetben hátrányos is lehet. Amikor hálózat vezérelt
fázisán, nagy terhelés hatására bekövetkezõ feszültségesése eléri a graetz nyitófeszültségét, akkor a nappali áram irányából
is megindulhat az áram a graetz-en keresztül. Ez akkor következhet ba ha az átkapcsoló mérõktõl távol helyezkedik el
(pl. az ajánlás szerinti max 5...10m-nél távolabb). Ilyen esetben pl. aktív verérelt áram esetén is visszaválthat az átkapcsoló
nappali áramra. Ha ilyenkor a graetz helyett triakokat haszálunk áthidalásra, akkor a graetz 1,2V körüli nyitófeszültsége
helyett akár 7...8V feszültségesést is tolerálhat az átkapcsoló. Persze ennek az az ára, hogy bár az átkapcsolás kiesésmentes marad,
egy hangyányival kevésbé simán történik mint a graetz-es megoldás esetében. Ez azt jelenti a gyakorlatban, hogy bár minden háztartási fogyasztó
probléma és kiesés nélkül mûködik, azért ha valaki nagyon odafigyel, észreveheti az átkapcsolást pl. a lámpák fényén.
(nyilván 7...8V feszültségcsökkenést könnyebb észrevenni, mint 1...2V-ot, azaz 230V helyett 222V vagy 228V-ot).
Tehát az esetek nagy részében a graetz-es megoldást lehet használni, de ha az átkapcsoló a mérõktõl távol helyezkedik el,
esetleg hosszú vezetékekkel bekötve, akkor a triakos megoldás használata a célszerûbb. Bizonytalan esetben szintén a triakos megoldást
érdemes választani, mivel az univerzálisan használható (tehát akár a mérõktõl távolabb, akár a mérõk közelében is jól mûködik).
A feszültségesés saccolásához beszúrok ide egy kis számoló táblázatot:
Vezeték keresztmetszete [mm2]
Vezeték hossza [méter]
Max. áramerõsség [A]
Feszültségesés RÉZ vezetéken
Feszültségesés ALU vezetéken
Célszerû ha a feszültségesés 1V alatti, ilyenkor a Graetz-es áthidalást érdemes használni,
1V...8V között pedig a triakos megoldás jöhet szóba, speciális esetben ez utóbbi 10...12V-ig bõvíthetõ.
(A számoláshoz egyszerûen írd át a táblázatban levõ értékeket.)
Az alábbi fotón háromfázisú, 3x40A-es átkapcsoló(k) szerepel(nek), amely(ek) a 23. ábra szerinti bekötéssel készült(ek).
Jelenleg ELADÓ, érdeklõdni
email-ben lehet.
Közzéteszek egy újabb rajzot, ami esetleges LED-es visszejelzõ(k) beépítésének a lehetõségét mutatja:
(nagyításhoz katt a képre)
LED1 akkor világít amikor a vezérelt áram L1 fázisán feszültség van, LED2 pedig akkor világít amikor az átkapcsoló vezérelt áramra váltott.
Általában ez utóbbi led az informatívabb, hiszen jelzi amikor ténylegesen a vezérelt áramról mûködnek a fogyasztók.
A ledes visszajelzõk üzemeltetéséhez szükség van (a ledeken kívül) elõtét ellenállás(ok)ra (ami a leden átfolyó áramot állítja be), ezek ajánlott értéke
56kΩ és 100kΩ közötti, 1W-os vagy 2W-os ellenállás. Ezen kívül szükség van mindegyik ledhez egy diódára is, ami meggátolja, hogy a led
záróirányú feszültséget kapjon, az ajánlott típus: 1N4007.
Célszerû nagy fényerejû LED típust választani, ami viszonylag kicsi áramerõsség esetén is kellõen erõs jelzõfényt ad. A ledek színe tetszés szerint
megválasztható, de manapság (2018-ban) viszonylag kicsi áramerõsség esetén, a kék, a zöld, és a fehér ledek adják a legerõsebb fényt.
Aki nem akar ledekkel, ellenállással diódával "vacakolni", annak megemlíteném, hogy készen is kaphatók, kismegszakító méretû, ledes visszajelzõ lámpák,
mindenféle színben, ezek is teljesen jól használhatók az átkapcsolóban az üzemállapot visszajelzés céljára. Illetve az általam készített
átkapcsolókra is kérhetõ ledes visszajelzõ (mint ahogy néhány fotón szerepel is ilyen).
Emailben kaptam egy kérdést az AK-UNI vezérlõpanelek terhelhetõségével kapcsolatban, amire itt is igyekszem válaszolni.
A mágneskapcsolót vezérlõ X-Y csatlakozási pontok között tartósan 1A folyhat át, tehát kb. 230W terhelést bírna el,
de összahasonlítás képpen: a 40A-es átkapcsoló, 3db mágneskapcsolója együttvéve fogyaszt kb. 0,06A áramot, tehát bõven van tartalék benne.
Rövid ideig 4A terhelés sem károsítja, pillanatnyi impulzus szerû terhelésként pedig kb. 40A-ig nem károsodik. Ez kb annyit jelent,
hogy az átkapcsolókba épített 1..2A-es kismegszakító hatékonyan meg tudja védeni az áramkörét.
Az áramváltó oldalán tartósan tartósan 50A folyhatna át (de mivel csak az átkapcsolás alatt folyik rajta áram, ezért ennek sokszorosát is elbírja).
A megbízhatóságára jellemzõ, hogy volt aki "sikeresen" elcserélte a fázisokat az átkapcsolóján, és akkora fázis-zárlatot okozott vele,
ami a 100A-es késes olvadó fõ-biztosítékokat is leoldotta: mindeközben az átkapcsolóba épített vezérlõpanel egyáltalán nem károsodott!
(az átkapcsoló többi alkatrésze ez esetben már kevésbé volt szerencsés). Tehát az AK-UNI vezérlõpanellel felépített átkapcsolókban,
a vezérlõpanel jó eséllyel kA-es nagyságrendû zárlatok esetén sem károsodik.
Mekkora saját fogyasztása van az AK-UNI vezérlõpanelnak?
- Mivel csak a vezérelt áram meglétekor folyik rajta áram, így a nappali áramról nincs fogyasztása.
- Vezérelt áramról, bekapcsolt mágneskapcsolók esetén kb. 1V eff. feszültség esik az X-Y pontok között,
ez a mágneskapcsolók behúzótekercsének áramát figyelembe véve (<0,1A) 0,1W alatti fogyasztást jelent.
- Hiba esetén (pl. fáziskiesés a vezérelt áramon, L2 vagy L3 kismegszakító leoldása miatt), a vezérlõpanel lekapcsolja a mágneskapcsolókat.
Ilyenkor 1mA alatti áram folyik az X-Y pontok között, ami 0,2W alatti teljesítményfelvételt jelenthet.
Minden általam készített átkapcsolót alaposan letesztelek. A tesztelés tõbb lépésbõl áll.
Felhasznált mûszerek: digitális multiméter, 2500V-os szigetelési ellenállás mérõ, leválasztó transzformátor,
15W-os próbalámpa, 100W-os próbalámpa.
1 - Mérés multiméterrel, ellenállásmérés minden csatlakozási pont között.
Ezzel a fõáramkör megfelelõ összekötései ellenõrizhetõk. Eredmények a 1. táblázat-ban.
2 - Mérés multiméterrel, de L1-Vez és N pontokra leválasztott 230V-ot kell kapcsolni, hogy a mágneskapcsoló meghúzzon.
Ezzel a fõáramkör megfelelõ összekötései ellenõrizhetõk, a MK bekapcsolt állapotában.
Az ellenállásmérés elõtt 15W-os próbalámpával célszerû ellenõrizni, hogy mely csatlakozási pontok kerültek feszültség alá.
Egymáshoz képest feszültség alatt álló csatlakozási pontok között értelem szerûen nem mérünk ellenállást!
A további ellenállásmérés eredmények a 2. táblázat-ban.
3 - Mérés szigetelés vizsgálóval. Itt csak azon pontok között kell mérni, amik üzemszerûen nem lehetnek összekötve,
mert az összekötések már ellenõrizve vannak ohm mérõvel. Mérési eredmények a 3. táblázat-ban.
4 - Mérés szigetelés vizsgálóval, de L1-Vez és N kivezetésekre leválasztott 230V-ot kell kapcsolni,
hogy a mágneskapcsoló meghúzzon. Itt értelemszerûen, csak azok között a pontok között kell mérni,
amelyek nem állnak egymáshoz képest feszültség alatt.
Eredmények a 4. táblázat-ban.
5 - Vizsgálat leválasztott 230V-al. L1-ki és N csatlakozási pontokra 100W-os próbalámpát kell kapcsolni,
L1-Nap és N pontokra leválasztott 230V-ot kell kapcsolni. L1-Vez és L1-Nap pontok összekötésekor a MK meghúz,
szétválasztás után pedig elenged. A próbalámpa midkét esetben folyamatosan és zavartalanul világít tovább.
6 - Éles tesztelés. Az átkapcsolót üszemszerû körülményekhez hasonló bekötéssel (3 Nappali fázis, terhelések) feszültség
alá kell helyzeni. Majd a vezrelt bemeneteket is feszültség alá kell helyezni és megfigyelni az át és vissza kapcsolás
mûködését. A teszt közben vizsgálható a részleges fáziskiesésre, ki/be kapcsolgatásra adott reakció is.
Amennyiben minden tesztfázisban jól mûködött az átkapcsoló, akkor az üzemszerû használat is problémamentes lesz.
x: nem mérünk ellenállást (értelmetlen mérés, vagy feszültség alatti pontok),
0: (ohm mérõ 200Ω méréshatárban) <1Ω,
∞: (ohm mérõ 200Ω méréshatárban) >200Ω
x: nem mérünk ellenállást (értelmetlen mérés, vagy feszültség alatti pontok),
0: (2500V-os szigetelés mérõ) <1MΩ,
∞: (2500V-os szigetelés mérõ) >5000MΩ
Gyakran ismételt kérdések!
Ha veszek tõled valamit az átkapcsolóhoz, az hol vehetõ át? Postázás is lehetséges?
Alaphelyzetben Pesterzsébeten (Bp. XX. Kerületben) vagyok elérhetõ, többnyire délután. Postázás is szóba jöhet,
de csak elõre utalás esetén, azaz utánvéttel nem küldök semmit.
Ha ilyen átkapcsolót használnék, akkor a klíma, hûtõszekrény, tv. és a többi háztartási gép hogyan reagál az átkapcsolásra?
Az átkapcsolás a weblapon szereplõ megoldásokat használva kiesésmentes, ezt azt jelenti, hogy a gyakorlatban
a háztartási készülékek észre sem veszik az átkapcsolást, zavartalanul ugyanúgy mûködnek folyamatosan, mintha semmi sem történt volna.
Azt szoktam mondani, hogy jól mûködõ átkapcsoló esetén el is felejtheted, hogy van, csak szépen teszi a dolgát a háttérben.
Mikor melyik vezérlõpanelt érdemes használni?
Egyfázisú átkapcsolók esetében az AK-UNI-1 vezérlõpanelt érdemes választani, 3x25A-re vagy
3x40A-re az AK-UNI-2 vezérlõpanel az ajánlott.
Kérdés esetén szívesen segítek eligazodni a bekötési rajzok között!
Miben különbözik az AK-UNI-1 és az AK-UNI-2 vezérlõpanel?
Elektromos szempontból semmiben sem! Viszont az AK-UNI-2 panelen levõ
áramváltó fizikailag nagyobb, ezért nagyobb keresztmetszetû vezetékeket lehet átfûzni rajta.
Az AK-UNI-1 áramváltóján 3db 1mm2-es sodrott vezeték éppen átfér, ami az átkapcsolás idõtartamára a
25A-es áramerõsséget kényelmesen elbírja (nyilván hosszabb ideig nem bírná, de nincs is rá szükség),
az AK-UNI-2 áramváltóján 3db 1,5mm2-es vezeték
kényelmesen átfér, ami a 40A-es áramerõsségre az átkapcsolás idõtartamára elegendõ.
Az áramváltókon nem érdemes merev, vagy nagyobb keresztmetszetû vezetékeket átfûzni,
mert ha a vezeték megfeszül, akkor letépheti az áramváltót a vezérlõpanelrõl, vagy megsérülhet az áramváltó.
Mi az áramkörbe beépített 1....2A-es kismegszakító feladata?
A kismegszakító a vezérlõáramkör és a mágneskapcsolók behúzótekercsének áramkörét védi,
illetve a kismegszakító lekapcsolásával üzemen kívül helyezhetõ az átkapcsoló, ilyenkor fixen a nappali
bemenetet adja tovább a kimeneten. Ennek villanyszerelés, mérõcsere, meghibásodás, esetleg egy áramszolgáltatói
ellenõrzés esetén lehet jelentõsége. Ilyenkor célszerû lehet üzemen kívül helyezni az átkapcsolót.
Hogy lehet az, hogy a 40A-es átkapcsoló 25A-es mágneskapcsoló(ka)t tartalmaz?
Az R25-22 és hasonló mágneskapcsolóknak 4db érintkezõje van, melyek egyenként 25A terhelhetõségûek.
A 40A-es átkapcsolókban duplázva (azaz kettesével párhuzamosítva) vannak az érintkezõk, így elvileg 50A-t,
gyakorlatilag 40A-t biztosan elbír.
A 25A-es átkapcsolóban nincsenek duplázva az érintkezõk. Tehát míg a 3x25A-es
átkapcsoló 2db mágneskapcsolóval van felépítve, addig a 3x40A-es verzió
3db mágneskapcsolóval, hogy kellõ számú érintkezõpárat lehessen felhasználni.
Lásd pl. a lejjebb szereplõ fotókat.
Hogyan lehet ellenõrizni, hogy egyezõek-e a fázisok? Hogyan lehet párosítani a fázisokat?
A mérést a baleset ill. áramütés veszély miatt csak szakember végezze!
A méréshez szükség van egy megbízható feszültségmérõre (multiméterre) vagy egy villanyszerelõ próbalámpára (ami 2db sorbakötött 230V-os izzólámpából áll).
A mérést nyilván akkor lehet elvégezni, amikor van vezérelt áram is. A mûszer egyik mérõvezetékét csatlakoztassuk a
nappali áram L1 fázisához, a másik mérõvezetéket pedig a vezérelt áram L1 fázisához. Egyezõ fázisok esetén 0V
(vagy maximálisan 1...2V) feszültséget mérhetünk, a próbalámpa nem világít. Eltérõ fázisok esetén a mûszer 400V körüli
feszültséget mutat, a próbalámpa világít. 3 fázisú rendszerben ezzel a módszerrel mindegyik nappali fázisnak
megkereshetõ a párja a vezérelt fázisok között. Átkapcsoló bekötése elõtt célszerû megjelölni (pl. színes szigetelõszalaggal)
az összetartozó fázisokat. Ha a vezetékezés színes, pl. szabványos fekete, barna, szürke színekkel vezetékezték a három fázist,
akkor is célszerû ellenõrizni a fázisok egyezését. A tapasztalat az, hogy pl. mérõcsere esetén sem szoktak figyelni a fázisazonosságra
(azaz elõfordul, hogy elcserélik a fázisokat) ezért ilyenkor is célszerû újra ellenõrizni a fázisok egyezését.
Mikor célszerû a triak-os, és mikor a graetz-es megoldást választani?
Általánosságban a legegyszerûbb a mérõktõl vett távolság alapján dönteni, azaz 5m-en belül a graetz-es megoldás, 15m vagy
nagyobb távolságok esetén a triakos megoldás az ajánlott. Köztes távolság esetén egyedileg mérlegelhetõ a dolog az áramerõsség
és a vezeték keresztmetszetek ismeretében. Bizonytalan esetben, ha nem sikerül dönteni, akkor a triakos megoldással lehet biztosra menni.
Hogyan mérhetõ meg, hogy mekkora az átkapcsoló szempontjából mérvadó feszültségesés a vezetékeken?
A mérést a baleset ill. áramütés veszély miatt csak szakember végezze! A méréshez szükség van egy megbízható feszültségmérõre (multiméterre).
A mérés olyankor végezhetõ amikor van vezérelt áram is. A mûszer egyik mérõvezetékét csatlakoztassuk a nappali áram L1 fázisához,
a másik mérõvezetéket pedig a vezérelt áram L1 fázisához - az átkapcsoló tervezett beépítési helyén!.
Egyezõ fázisok esetén, terhelés nélkül, ideális esetben 0V-ot mérhetõ. A nappali áramon ne legyen számottevõ terhelés,
a vezérelt áramra pedig kapcsoljunk be egy minél nagyobb terhelés. A terhelõ áramot célszerû megmérni egy ún. "lakatfogós" mûszerrel.
Ilyenkor feszültség esik a vezetékeken, és a feszültségesés leolvasható a mûszerrõl. A feszültségesés arányos lesz az áramerõsséggel,
azaz ha 10A terhelés mellett 0,7V feszültségesést mértünk, akkor 30A terhelés esetén már legalább 2,1V-ra kell számítani.
Ha a feszültségesés a legnagyobb tervezett áramerõsség esetén is 1V alatt marad, akkor a graetz-es megoldású átkapcsoló
az ajánlott, nagyobb feszültségesés esetén pedig a triakos megoldást célszerû használni.
Mennyi egy ilyen átkapcsoló várható élettartama?
Az AK-UNI vezérlõáramkör nem tartalmaz öregedõ alkatrészeket (pl. nincs benne elektrolit kondenzátor, sem
elõtétkondenzátoros tápmegoldás), ezért a katasztrófális hibáktól eltekintve (pl. villámcsapás), valamint
a mûhibáktól eltekintve (pl. hibás bekötés) nem várható belátható idõn belül a meghibásodása (>100év)
A mágneskapcsolók élettartama 2 részbõl tevõdik össze: a mechanika mozgása, és az érintkezõk élettartama.
A mechanika kb 10^6 (1 millió) ki/be kapcsolást visel el, az érintkezõk kb. 10^5 (100 ezer) kapcsolást
bírnak ki , ha az átkapcsoló nincs túlterhelve. Napi néhány ki/be kapcsolás esetén ezek meghibásodása sem várható.
A többi félvezetõ (graetz, triak) élettartama kb. annyi amiennyxit bármely félvezetõre általánosan megadnak,
azaz 10^6 üzemóra (>100év).
Azonban tudni kell, hogy mindegyik alkatrész élettartama drasztikusan csökken, amennyiben túl van terhelve.
Ezen kívül elõfordulhatnak nem várt események, amelyek csökkenthetik az élettartamot, pl. zárlat a hálózaton,
túlfeszültség (villámcsapás vagy pl. nullaszakadás miatt). Bizonyos ipari berendezések is nagyobb igénybevételt
jelenthetnek a hálózat (és az átkapcsoló) számára, mint egy háztartási fogyasztó. Ilyenek lehetnek
pl. nagy teljesítményû frekvenciaváltó, ipari hegesztõgépek, és fázishasítással mûködõ nagy teljesítményû gépek.
Ilyen gépek használata esetén célszerû az egész hálózatot a nagyobb terhelést figyelembe véve méretezni.
A szokványos háztartási gépek, számítástechnikai eszközök, multimédia berendezések, hûtõszekrények, klímák,
motoros gépek üzemeltetése nem jelent problémát, ill. nem okoz nagyobb igénybevételt.
Mi történik, ha a hálózat feszültségesése nagyobb mint amit az átkapcsoló tolerálni képes?
A weblapon szereplõ áramköri megoldások nem hibásodnak meg ebben az esetben sem. Ilyen esetben a félvezetõk
melegedésének megelõzése érdekében az átkapcosló (kiesés mentesen) visszavált nappali áramra,
attól függetlenül, hogy a vezérelt áram éppen aktív-e. Ezen kívül ennek semmilyen más következménye nincs.
Akik még a régebbi AK-G01 vagy AK-G02 vezérlõpanel felhasználásával építettek átkapcsolót,
vagy régebben vásároltak ilyen vezérlõpanellel készült komplett átkapcsolót, azok számára
elérhetõvé teszem ezeknek a régebbi megoldásoknak a bekötési rajzait.
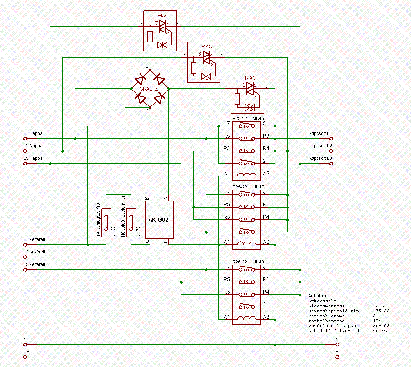
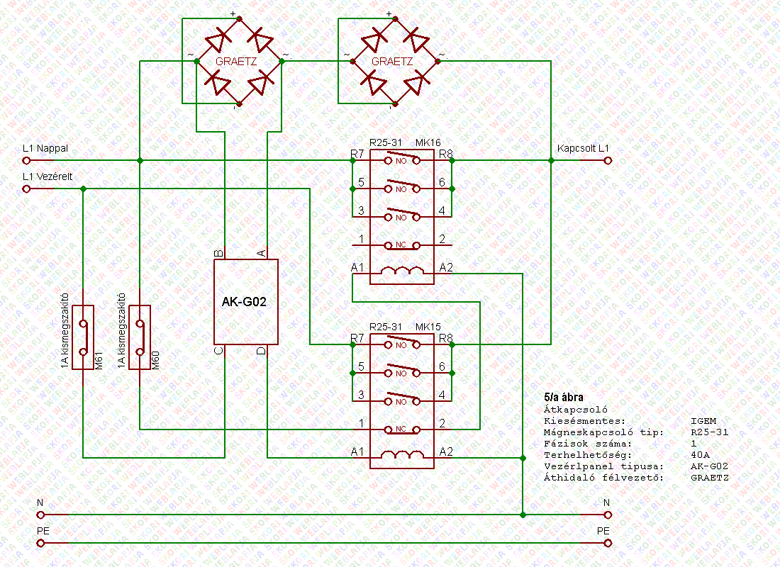
Egyfázisú átkapcsolók rajza AK-G01 vagy AK-G02 vezérlõpanellel(nagyobb mérethez katt a képre!):
Amennyiben nem áll rendelkezésre olyan mágneskapcsoló, amelynek a bontóérintkezõje is terhelhetõ.
Egyfázisú átkapcsolók rajza segédérintkezõs mágneskapcsolókkal, AK-G01 vagy AK-G02 vezérlõpanellel:
3x25A-es verziók AK-G01 vagy AK-G02 vezérlõpanellel (nagyobb mérethez katt a képre!):
3x40A-es verziók AK-G01 vagy AK-G02 vezérlõpanellel:
Háromfázisú átkapcsolók rajza segédérintkezõs mágneskapcsolókkal, AK-G01 vagy AK-G02 vezérlõpanellel:
Figyelem! A fenti AK-G01 vagy AK-G02 vezérlõpanellel készült megoldások megépítése már nem javasolt, helyette
az AK-UNI vezérlõpanelek használata az ajánlott, mivel ezek hibatûrése nagyobb (magyarul: sokkal nehezebb kinyírni :))
Ezek a rajzok, azok kedvéért vannak fent, akik ilyen felépítésû átkapcsolót használnak, és esetlegesen szükségük
lehet az áramkörök bekötési rajzára. AK-G paneleket a továbbiakban nem készítek, és nem árulok. Az ezzel készült
átkapcsolók szükség esetén, problémamentesen átalakíthatók az UK-UNI vezérlõpanellel való mûködésre.
Az oldal egyik olvasójában felmerült egy kérdés az átkapcsolók mûködésével kapcsolatban, ami esetleg másokat is érdekelhet....
Mi történik, illetve hogyan mûködik olyankor az átkapcsoló, amikor egyáltalán nincs terhelés az elmenõ oldalon?
- A 3x40A-es átkapcsolók esetében kb. ugyanaz van mint terheléssel. Amikor megjelenik a vezérelt áram, akkor meghúznak a mágneskapcsolók,
amikor megszûnik a vezérelt áram akkor -kis késéssel- elengednek a másneskapcsolók. Ez a kis késés többnyire 1...2 másodperc körüli.
Amikor nincs terhelés, akkor ez a kis késés akár 4...5 másodperc is lehet.
- A többi átkapcsoló esetén, ha van legalább 0,06A terhelés az átkapcsoló kimenetén, vagy a vezérelt fázison,
akkor ugyanúgy mûködik mint a fenti esetben. Amikor egyáltalán nincs terhelés, és megjelenik a vezérelt áram, akkor meghúznak a
mágneskapcsolók, azonban a vezérelt áram megszûnésekor nem enged(nek) el azonnal a mágneskapcsoló(k). Ez azonban nem okoz különösebb
problémát, hiszen nem folyik áram az áramkörben, így melegedni sem fog semmi, és a kimeneten is ugyanúgy van feszültség, mint bármikor.
Amikor pedig bármilyen fogyasztó bekapcsol, akkor bekövetkezik a váltás, ami ugyanúgy kiesésmentesen történik, mint bármilyen más esetben.
Tehát a háztartási fogyaszók gyakorlatilag ilyenkor sem vesznek észre semmit az átkapcsolásból. Mellesleg a legtöbb háztartásban gyakorlatilag
nem fordul elõ ilyen üzemállapot, mert a háztartási készülékeknek standby állapotban is van minimális fogyasztása, ezért a kérdés
inkább elméleti jelentõségû. Azonban ha valaki esetleg mégis ilyen mûködést tapasztal, akkor nem kell megijedni, nem romlott el semmi,
egyszerûen csak: a késleltetési idõ függ a terhelõ áramtól.
Ha valakit mégis zavar az átkapcsoló ilyen mûködése, illetve valamiért gyakori nála, hogy nulla terhelés van a hálózaton,
az rajzban szereplõ módosítással megszüntetheti ezt az üzemmódot:
Az eredeti 20/b ábra szerinti rajzot kiegészítettem egy 250VAC/1uF-os X kondenzátorral, és egy 22Ω 1...2W ellenállással.
Ez bármelyik átkapcsoló esetében beépíthetõ, és megszünteti a fent leírt üzemállapotot,
illetve a kialakulásánbak a lehetõségét. Ennek a kiegészítésnek a teljesítmény felvétele
a vezérelt áramról kb. 0,1W (a nappali áramról pedig nincs fogyasztása).
Akinek kérdése merült fel a témával kapcsolatban, esetleg komplett átkapcsolót, vezérlõpanelt,
stb. szeretne, azt kérem hogy az alábbi mailcímemen érdeklõdjön: