SKORI WEBLAPJA
Bemenetkiválasztó
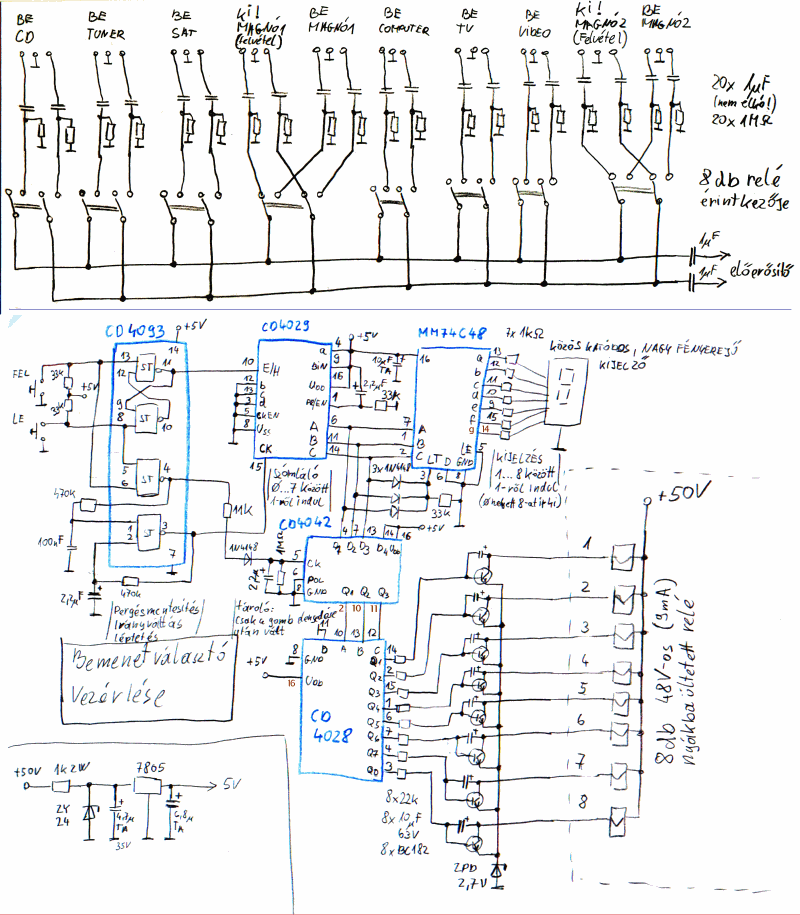
Ezen a lapon a Quad405-höz készített bemenetkiválasztó rajzát adom közre. Természetesen bármilyen erösítöhöz felhasználható, nem csak a quadhoz. A jel szempontjából lényegében passzív áramkör, relékkel vált a bemenetek között, tulajdonképpen egy elektronikus jackley kapcsoló :-). Miért kell akkor mégis, miért jobb mint egy egyszerü kapcsoló? Nos: a relék légmentesen zárt, nyákba ültethetö tipusok, az érintkezöik nem oxidálódnak. Ha megoldjuk, hogy az érintkezök között ne legyen semekkora DC potenciálkülönbség akkor zaj és reccsenés nélkül lehet átkapcsolni a bemenetek között. Persze ehhez kell még egy apróság: a relék átkapcsoláskor nem kaphatnak meredek impulzust, különben a szórt kapacitív csatolások miatt ez behallatszana a jelbe (halkan, nagy hangeröállás mellett). Ennek elkerülésére lettek beépítve a BC182-es trranyó B-C elektródái közé a 10 mikrós kondik. Cserébe el lehetett hagyni a relék vezérlésékor szokásos védödiódák használatát. Nagyobb áramú relék használatakor érdemes darlington tranyókat, vagy valamilyen power mosfet-et használni. Fet használata esetén a gate ellenállásokat meg lehet növelni 470k-ra a kondikat pedig 470nF-ra csökkenteni, nyitott fet esetén a kondik polaritása megfordul, ezért nem célszerü elkót használni.
Mit tud a vezérlö áramkör? 2 nyomógombbal lehet fel/le lépteni aszerint, hogy melyik bemenetet szeretnénk kiválasztani, ezt egy számkijelzö jelzi vissza. A nyomógomb nyomvatartása esetén folyamatosan lépked, több lépéshez nem kell feltétlenül kell (de lehet) nyomogatni. A tényleges átkapcsolás csak a gomb elengedése után következk be, tehát ha pl. 2-röl 6-os bemenetre váltunk akkor a 3,4,5-ös reléket nem piszkálja (egy körbeforgó kapcsoló nem így müködne). Vagyis - a példánál maradva - elöször elenged a 2-es relé aztán meghúz a 6-os.
Korábban építettem a TDA1029-es cél IC-vel is bemenetválasztót, sajnos csak 4 bemenetet kezel, ennek ellenére ezt is ajánlom mert jó minöségü megbízható céláramkör. Késöbb felrakok egy TDA-s rajzot is.
A kapcsolási rajz:


Elökerült a vezérlö rész nyákterve is, és a scannert is sikerült müködésre bírni. A nyákrajz "kockás" papíron készült, a beültetési oldal felöli nézetet mutatja (a tükörképét kell a nyákra rajzolni). Ezenkivül ezen még nincs rajta a tápban levö ZY24-es zener (ezt utólag még illene rátervezni), valamint a kijelzö bekötése tipusfüggö ezért lehet, hogy ezt a részét is módosítani kell az utánépítéshez.